
DECELERATION PARTS SUPPLIER
Concrete mixer truck & batching plant parts one stop service

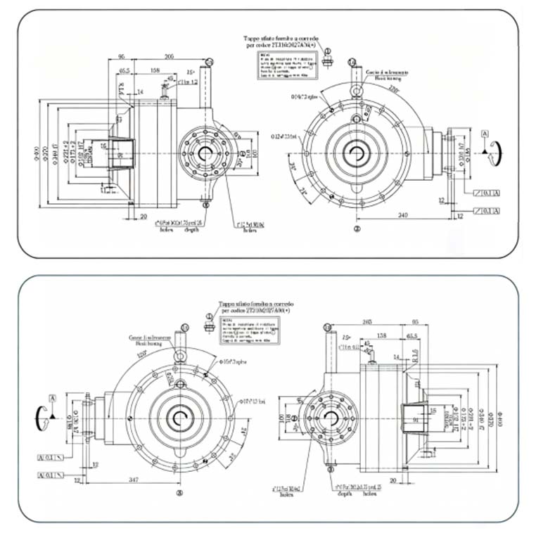
Bonfiglioli 309 Series Planetary Gear Reducer
The best replacement of Bonfiglioli 309 gearbox.
This Planetary Gearboxe is for Twin Shaft Concrete Mixers of 1to 2cbm.
一 SNAKE
Bonfiglioli 309 Series Planetary Gear Reducer
Technical Specifications
SNAKE Planetary Gearbox complies with EU standard
SNAKE produced gearbox by our own heat treatment furnace.All of our machines are from Germany to ensure the most tiny tolerance.
一 SNAKE
Key Performance Features
Performance
Design Type:
Load Capacity:
Standards Compliance:
Lubrication:
一 SNAKE
Application & Mounting
Typical Applications:
Mounting Options:
Protection:
Compare 309 with 310
Product Comparison
Online message
Please leave us a message according to your requirements.
一 SNAKE
Product parameters and related specifications
Product Certification
一 SNAKE
SNAKE MACHINERY
SNAKE provide comprehensive solution for your batching plant.Our products have attractive appearance, longer service life, high precision and customized service.
SNAKE MACHINERY is a high-end special batching plant parts manufacturing enterprise. We have nearly 20 years experience of R&D and service with over 25 patents. Our products are highly praised by customers because of good precision and long service life.
一 SNAKE
SNAKE Advantages
Professional Expertise
With many years of experience and rich project knowledge.
Customized Solutions
Tailored products and solutions based on customer needs.
Global Service Network
Timely technical support and after-sales service for customers worldwide.
YOU GOT QUESTIONS, WE GET THE ANSWERS YOU NEED
We commitment that we will try our best to solve all the questions for our customer. We welcome and valued your advice to us. We are not only your supplier but also your key of success and your partner of business.
一 SNAKE
SNAKE PRODUCT Resources
一 Contact us
Product parameters and related specifications
Feel free to contact us for more details
For better communication, please leave your contact number.
一 SNAKE
SNAKE Related Application Areas
Over the past 20 years, SNAKE has expanded into multiple areas
providing global customers with comprehensive solutions of BatchingPlant Parts.
Twinshaft Mixer Parts
Twinshaft Mixer Parts
Mixer Truck Gearbox
Mixer Truck Gearbox
Screw Conveyor Parts
Screw Conveyor Parts
Belt Conveyor Parts
Belt Conveyor Parts
Silotop&Batcher Parts
Silotop&Batcher Parts
PLEASE GIVE US A MESSAGE
CONTACT INFORMATION
Corporate office: No.33 Duandian West Road, Huaiyin District, Jinan, China






